添加到电脑桌面
添加到电脑桌面,以后点击桌面图标一键打开,无需搜索,非常快捷!
立即添加
资源篮
0
普通会员
限时优惠
登录
首页
专题
知识库
标签云
联系客服
文库
信息管理
数据中心
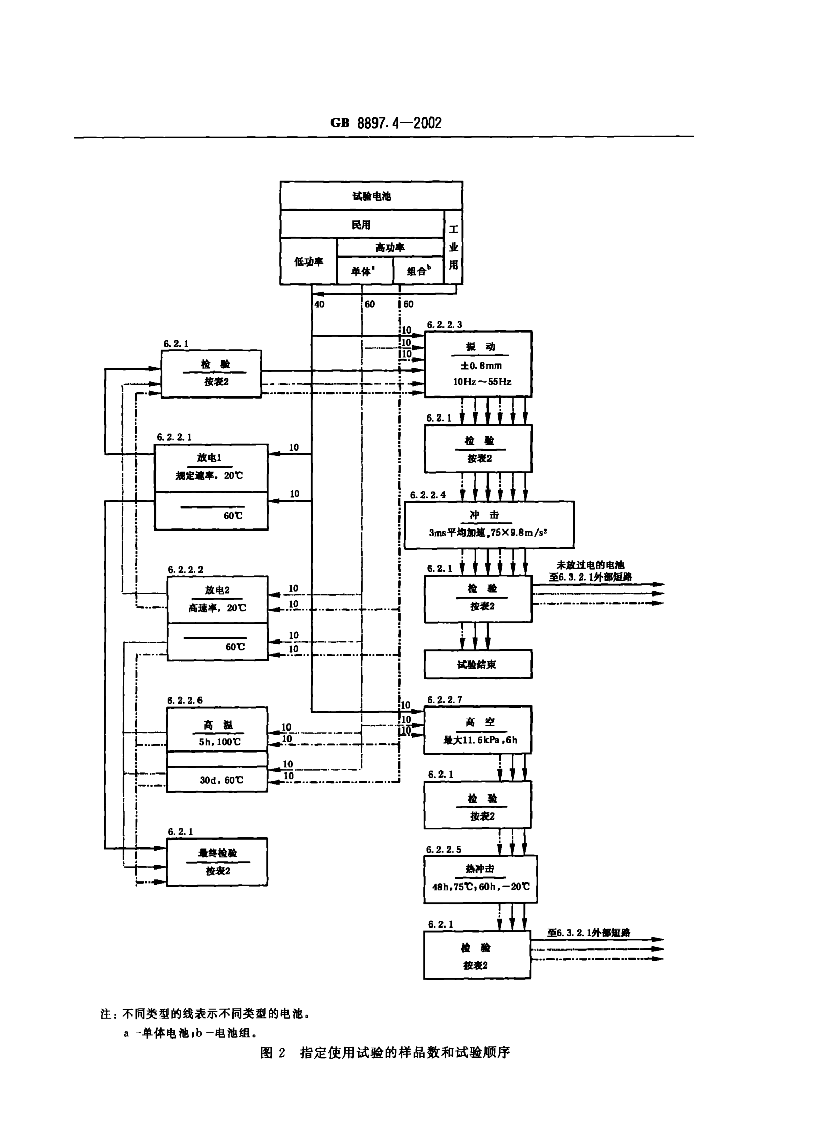
GB 8897.4-2002 原电池 第四部分:锂电池的安全要求
数据中心
PDF
25页
下载0
2022-11-22
浏览396
收藏0
点赞0
评分-
2积分
温馨提示:当前文档最多只能预览 15 页,若文档总页数超出了 15 页,请下载原文档以浏览全部内容。
剩余10页未读,
下载浏览全部
收藏
已收藏
喜欢
已喜欢
文档描述
GB 8897.4-2002 原电池 第四部分:锂电池的安全要求
五月的雪
这个人很懒,什么都没留下
未认证用户
查看用户
该文档于
上传
推荐文档
模块化数据中心架构的规格
模块化数据中心机房建设指南
数据中心基础设施设计规程
企业架构(业务架构、服务架构、应用架构、数据架构和技术架构)构建方案
Emerson数据中心基础设施管理解决方案
最新文档
模块化数据中心架构的规格
模块化数据中心架构的规格 (1)
Google Data Centers Economic Impact and Community Benefit
数据中心发展现状与未来展望
能源绿色低碳转型典型案例汇编
人工智能团体标准:云际管理与调度
数据中心绿色等级优秀案例集
信息技术 — 数据中心能源效率标准
高效数据中心能源效率框架
2021-2022年度全球数据中心市场研究报告