添加到电脑桌面
添加到电脑桌面,以后点击桌面图标一键打开,无需搜索,非常快捷!
立即添加
普通会员
限时优惠
登录
首页
文档
资讯
专题
文库
信息管理
信息安全
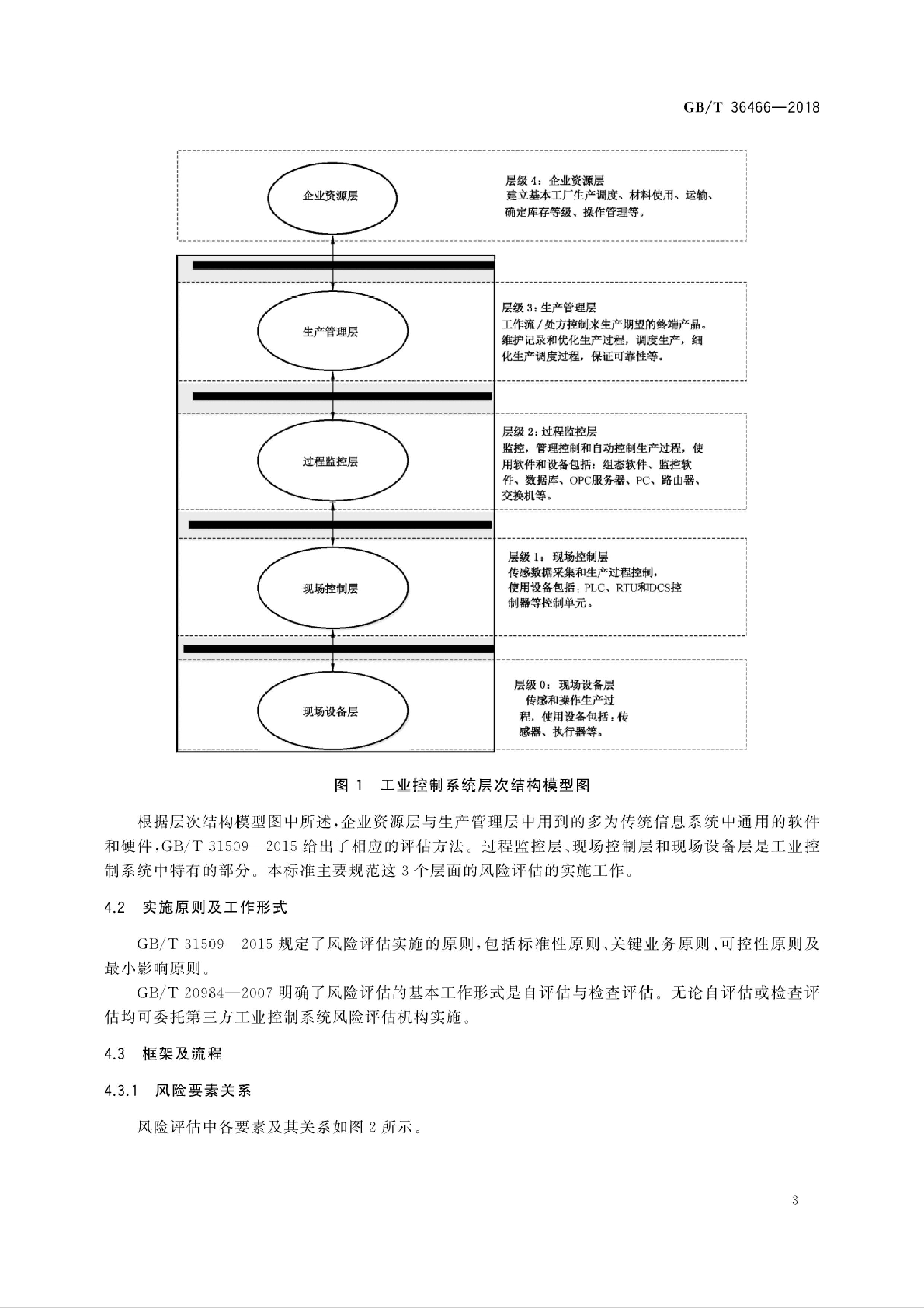
GBT 36466-2018 信息安全技术 工业控制系统风险评估实施指南
PDF
48页
下载120
2026-02-18
浏览10289
收藏57
点赞74
评分-
免费文档
免费下载
温馨提示:当前文档最多只能预览 10 页,若文档总页数超出了 10 页,请下载原文档以浏览全部内容。
剩余38页未读,
下载浏览全部
收藏
已收藏
喜欢
已喜欢
📱 扫码免费下载
微信扫码打开小程序获取下载链接
文档描述
GBT 36466-2018 信息安全技术 工业控制系统风险评估实施指南
📱 微信扫码打开小程序
点击任意位置关闭
222
这个人很懒,什么都没留下
未认证用户
查看用户
该文档于
上传
推荐文档
信息系统安全等级保护三级基本要求_ITIL之家(www.itilzj.com)_.doc
最新文档
中国银保监会监管数据安全管理办法(试行)
医疗卫生机构网络安全管理办法
网络数据安全管理条例(征求意见稿)
数据安全管理办法(征求意见稿)
汽车数据安全管理若干规定(试行)
吉林省-政务数据安全管理责任指南
工业和信息化领域数据安全管理办法(试行)(征求意见稿)
电力行业-网络安全管理办法
数据出境安全评估办法理解和思考
数据安全现状评估报告
数据安全风险评估总结
某系统数据安全合规评估报告模板
某企业数据安全合规评估报告模板
CHIMA 医院信息安全调查报告
APP合规评估报告模板
中国移动数据安全合规评估工作规范
最新文章
空调群控策略:从能耗优化到智能生态构建的深度解析
机房环境控制新维度:新风、加湿与除湿系统的协同优化策略
数据中心热管理新策略:从局部热点到全局优化的十种解决方案
高密服务器散热:AI 机房的核心痛点与创新方案解析
数据中心余热回收:从能耗负担到绿色资产的转型路径
数据中心PUE深度解析:从计算逻辑到绿色转型的实践路径