添加到电脑桌面
添加到电脑桌面,以后点击桌面图标一键打开,无需搜索,非常快捷!
立即添加
普通会员
限时优惠
登录
首页
文档
资讯
专题
文库
信息管理
数据中心
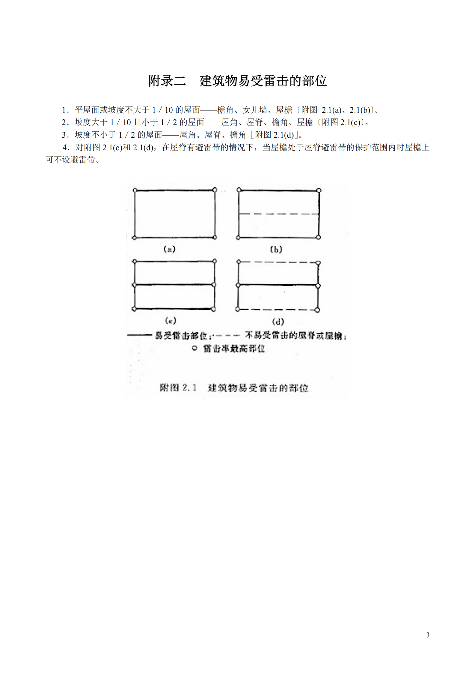
GB 50057-1994(2000年修订版)建筑物防雷设计规范附录
数据中心
PDF
23页
下载0
2022-11-22
浏览166
收藏0
点赞0
评分-
2积分
温馨提示:当前文档最多只能预览 15 页,若文档总页数超出了 10 页,请下载原文档以浏览全部内容。
剩余8页未读,
下载浏览全部
收藏
已收藏
喜欢
已喜欢
文档描述
GB 50057-1994(2000年修订版)建筑物防雷设计规范附录
五月的雪
这个人很懒,什么都没留下
未认证用户
查看用户
该文档于
上传
推荐文档
Emerson数据中心基础设施管理解决方案
最新文档
中国信通院-通信行业:算力中心服务商分析报告(2025年)
智算中心冷板式液冷云舱技术白皮书
数据中心800V直流供电技术白皮书
数据中心2030-探索未来数据中心
中国数据中心产业发展白皮书
华为:2025智能世界的ICT岗位与技能白皮书(1)
TCATIS 029-2024 数据中心与算力中心信息技术基础设施关键备件分类分级规范
中国信通服务:2025算力运维体系技术白皮书
新一代智算中心网络管控运维技术白皮书
智算平台运维运营技术研究报告
数据中心发展现状与未来展望
能源绿色低碳转型典型案例汇编
人工智能团体标准:云际管理与调度
数据中心绿色等级优秀案例集
信息技术 — 数据中心能源效率标准
高效数据中心能源效率框架
最新文章
空调群控策略:从能耗优化到智能生态构建的深度解析
机房环境控制新维度:新风、加湿与除湿系统的协同优化策略
数据中心热管理新策略:从局部热点到全局优化的十种解决方案
高密服务器散热:AI 机房的核心痛点与创新方案解析
数据中心余热回收:从能耗负担到绿色资产的转型路径
数据中心PUE深度解析:从计算逻辑到绿色转型的实践路径