添加到电脑桌面
添加到电脑桌面,以后点击桌面图标一键打开,无需搜索,非常快捷!
立即添加
普通会员
限时优惠
登录
首页
文档
资讯
专题
文库
信息管理
数据中心
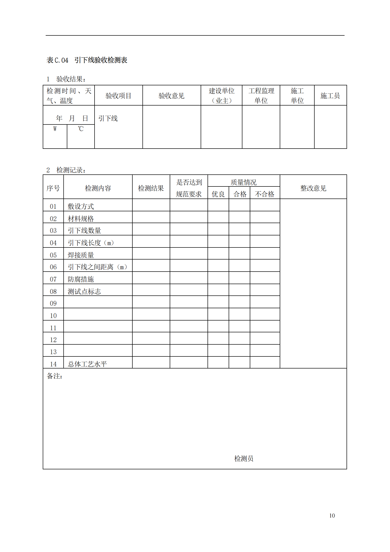
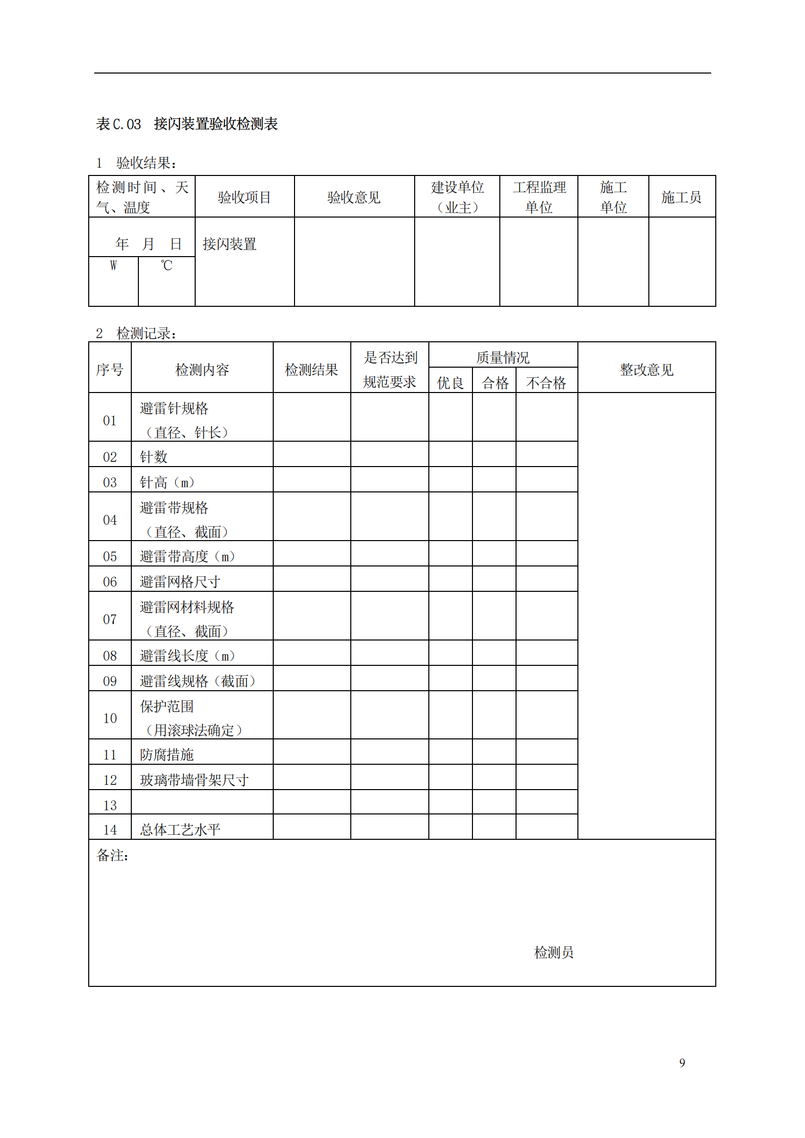
GB 50343-2004 建筑物电子信息系统防雷技术规范附录
数据中心
PDF
20页
下载0
2022-11-22
浏览4172
收藏0
点赞0
评分-
2积分
观看下载 (夸克网盘)
温馨提示:当前文档最多只能预览 15 页,若文档总页数超出了 10 页,请下载原文档以浏览全部内容。
剩余5页未读,
下载浏览全部
收藏
已收藏
喜欢
已喜欢
📱 扫码免费下载
微信扫码打开小程序获取下载链接
文档描述
GB 50343-2004 建筑物电子信息系统防雷技术规范附录
📱 微信扫码打开小程序
点击任意位置关闭
五月的雪
这个人很懒,什么都没留下
未认证用户
查看用户
该文档于
上传
推荐文档
中国信通服务:2025算力运维体系技术白皮书
Emerson数据中心基础设施管理解决方案
最新文档
数据中心机房建设方案介绍
模块化微型数据机房建设标准
标准化数据中心机房建设项目设计方案
华为AI数据中心参考设计
正交超节点整机柜设计规范
谐波与功率因数的重要性
算力时代的动环监控TB0S
算力时代的动环采集TB0X
算力强基智能计算数据中心网络关键能力测试规范
算力电力协同典型案例集(2025)
风扇及电源模组设计规范
大容量SSD技术要求及评价指标
扁平化智算网络架构研究报告
安全盘技术应用及标准研究报告
Ultra PoolingGenAIRack Scale系统架构技术规范
ETH-X以太超节点系统运维规范
最新文章
当AI遇上ITIL:别让聪明的技术,变成失控的野马
AI治理在ITIL 5框架中的核心原则:从技术整合到价值驱动的战略转型
探索新版ITIL如何加强协作并实现整体价值创造
管理AI在数字产品开发与服务管理中的风险与回报
ITIL绩效基准模型——衡量数字技术的商业效益
智算中心液冷规模化落地:从技术突破到产业变革的深度解析